|
|
| Ord. no. | 70-6705 |
|---|---|
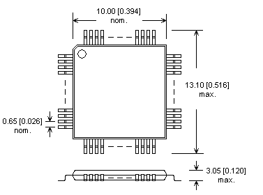
| Socket | ZIF QFP56, ClamShell type |
| Bottom | 2x24 pins, square, 0.6x0.6mm, rows spacing 600mil |
| Class | Specialized |
| Subclass | Mitsubishi/Renesas MCU |
| Availability in stock |
1 pcs.
[ other 1 pcs. within 3 working days ]
This number indicates quantity of items that could be produced from components in stock. Reasonable quantity of this product can be available within 3 working days. |
Move the cursor over the picture for additional view.
Price: US $490.00 [read this!]
Price 2-3: US $465.50
Price 4-7: US $450.80
Price 8+ : Ask for price [?]
Elnec fully understand needs of customers programming high volumes for which cost of adapters is one of most important component of costs. Therefore Elnec policy is to offer:
1. fixed discount when buying 4+ adapters of particular type,
2. individual discount for quantities 8+ according to type of adapter and demanded quantity. To get Quotation 8+ please click here:
Ask for price
We are sorry but your territory is covered by our sole distributor. Contact please the distributor for your country - listed in our web site.
Adapter manual
- Protect the contacts of adapter connectors and ZIF socket from contamination. Any dirt and/or fat on contacts may cause errors during programming.
- Usage of vacuum pick-up tool is expected for device handling.
- Proceed with care! Incorrect insertion of adapter in programmer ZIF socket or device in adapter ZIF socket may lead to programmed device damage.
- Insert adapter into programmer ZIF socket. If you are in doubts about orientation of the adapter in programmer ZIF socket, there is a rule of thumb - orientation of adapter name text is the same as orientation of the text on the top of programmer.
- Visually check the placement of adapter in programmer ZIF socket.
- Release the pawl on adapter ZIF socket to open it. The socket cap will open by spring force. Insert the device into adapter ZIF socket. Correct position of programmed device in adapter ZIF socket is indicated by picture near (usually on left above) the adapter ZIF socket. On that picture, reference corner of device (e.g. position of pin 1) is indicated by dot, by number 1, by bevelled corner or by any combination of mentioned.
- Visually check the placement of programmed device in adapter ZIF socket. If it looks OK, close adapter ZIF socket cap by hand and secure the pawl.
- To take out the device from adapter, release the pawl on adapter ZIF socket and remove the device.
- When you finish the work with adapter, remove it from programmer ZIF socket.
- Operating conditions: temperature 5°C ÷ 40°C (41°F ÷ 104°F), humidity 20% ÷ 80% non-condensing.
Software note
- If software version, you're using currently, doesn't contain support for this programming module, please download the latest version of software - Regular or OnDemand - from our web site.
Accepted package(s)
| QFP56 |
![]() |
![]() |

